NEW 808-M1 Allen Bradley Style M Low Speed / Zero Switch 50-1000 RPM NNB N.O.
Harga asal
$2,034.99
-
Harga asal
$2,034.99
Harga asal
$2,034.99
$2,034.99
-
$2,034.99
Harga semasa
$2,034.99
Ketersediaan:
Hanya 1 sahaja lagi!
MAKE AN OFFER!!
CPS CAROLINA PROCESS SOLUTIONS SELLS SURPLUS AND USED PARTS ONLY LOCATED WITHIN THE UNITED STATES.
CPS CAROLINA PROCESS SOLUTIONS IS NOT AN AUTHORIZED DISTRIBUTOR OF ROCKWELL AUTOMATION.
THE MANUFACTURER'S WARRANTY DOES NOT APPLY.
CPS CAROLINA PROCESS SOLUTIONS SELLS SURPLUS AND USED PARTS ONLY LOCATED WITHIN THE UNITED STATES.
IN STOCK!! SHIPS QUICKLY AND SAFELY IN 1 BUSINESS DAY MAX. USUALLY THE SAME DAY
EXPEDITED UPS OPTIONS AVAILABLE AT CHECK OUT
UPS 2 DAY AIR AND NEXT DAY AIR RED
New No Box.
Photos are the exact item you will receive.
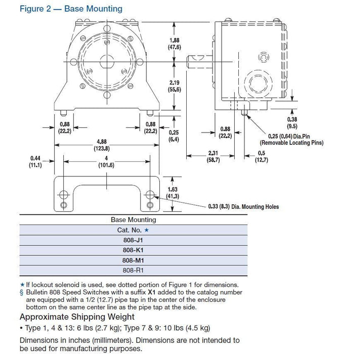
Allen-Bradley / Allen Bradley 808-M1
BASE MOUNT WITH THE KEY.
Style M Zero Speed Switch
• Normally open contacts
• 2000 RPM maximum shaft speed
• Type 1, 4 & 13, and 7 & 9
• BASE STYLE MOUNT
• 50...1000 RPM adjustment range for contact operation
• Type 1, 4 & 13
Thank you and buy with confidence!
CPS Carolina Process SolutionsSellman532
carolinaprocesssolutions<